Freestyleさん全塗装後のその後のトラブル②

2025/1/2(木)
前回JAFさんが来た時オルタネーターの故障の可能性が高い事を指摘していただいたのですが
整備をしてくれるHapit今治店の初売りが本日からという事で連絡
2日から空いているお店がないので非常に助かります
しかし担当の方がお休みでしかも整備の方は1人もいないとのお返事でしたが
車は引き取ってもらえる事に
車自体はもうエンジンスタートすらできないほど電圧が下がっている状態でしたので
JAFさんをまた呼んでHapit今治店まで運んでもらう事になりました

ちなみに応急処置でジャンプアップしてもらいましたがエンジンもかからず(なんで…)
車庫から手押しで、レッカー車で運べる所まで移動
人力で車を動かすのは始めてだったので貴重な経験
人力でも動かせるんですね
びっくりしました

Hapit今治店さんに電話した際、はじめは年末年始で代車が出払っていると言われたのですが
別の方から再度連絡あり代車を用意して頂けました
本当に助かりました

これで自転車通勤から解放
自転車は健康的で良かったのですが、時間に余裕がないのがきつかったです
世話になったマイ自転車

2025/1/3(金)
Hapit今治店の担当の整備士の方から昼に電話ありました
調べた時にはオルタネーターは正常に作動したそうです
えっまたこのパターン……
ただJAFさんが来た時に正常には動いていなかったという事や
エンジンがかかっているのにバッテリー電圧低下等を証明する書類もある事から

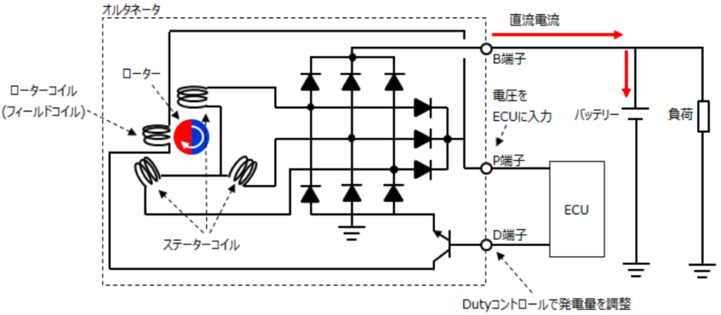
オルタネーターかそれを制御している内部部品が正常に動いていない時があるのだろうとぼくが判断
オルタネーターの発電量を調整しているのはECUなので、こいつが悪さしているのかとも思いました

ちなみにモビリオスパイクの整備書の図を見てみると

オルタネーターが起動しなければバッテリーの警告灯がつく様ですね
まずはオルタネーターを交換してもらいたかったので交換を依頼
担当の方からはリビルト品などの値段を確認してからになるけれど
リビルト品を販売している会社が正月休みのため暫く掛かると伝えられました
ぼくとしては値段はいいので早く交換して欲しい事を伝えました
2025年1月9日(木)
担当の方から整備が終わったとの連絡があり、車を引き取りに
オルタネーターを交換して今の所はまだ問題は観られていないとの事で
また暫く乗ってみて様子を見ることになりました

見た目は新品ですね

約一週間ぶりに車に乗ってみていつ警告灯がでないかドキドキしながら運転して家に帰ったのですが
その帰路に感じた事としては、何だかアクセルを踏んだ時のトルクが出ているような感じと
持病のジャダーが消えていました
過去にバッテリーを大容量タイプに入れ替えた直後のような感じ
夜間にも走行してみたのですがライトが明らかに以前より明るい!!
HIDなので電圧による明るさの変化は関係ないんじゃないかと思っていたので意外でした
まだまだ予断を許さない状態ではありますが
ある程度目処がたったので
このあたりでFreestyleさんに塗装をしてもらったメリットとデメリットについてまとめてみたいと思います
Freestyleさんに塗装をしてもらったメリット
①ボンネット・ルーフ・ルーフレールの白ボケが完全になくなる
After


Before


①ドアのガリ傷が目立たなくなっている
After

Before

運転席ドアの端はガリキズだらけでタッチアップで補修していていたのですが
ほとんど目立たくなっています
②リアフェンダーやバンパーにかなり深いガリキズがあったが、かなり目立たなくなっている
リアフェンダー部分
After

Before

バンパー部分

Before

Freestyleさんに塗装をしてもらったデメリット
①ルーフレールの損傷

強力両面テープで応急処置中
まぁ古い部品ですが仕方ありません
②塗装の磨きの際、バフが触れた樹脂部・ゴム部に損傷
おそらくボンネットを磨かれる際についたと思われる白い痕跡
急がれていたのか養生はされていなかったためと思われます
After

研磨の際の削りカスで白くなっただけのではないかと思ったのですが、洗車しても変わりありませんでした
Before

ルーフのゴムモール部の損傷
After

Before

これらは、マスキングしてミッチャクロン ⇒ PPMATEの自家塗装でrecoverできます
②ルーフレールにボディ色がついている

しっかり見ないと分からないでの大丈夫
③マスキングの取り忘れ

全く問題なし
④後席スライドドアのモール止めのピンの割れ

両面テープで固定されていました
おそらく外そうとされて割れたのでしょうね
教えてもらいたかったです
手持ちの予備のピンがあったので無問題

直しました

メリット・デメリットを総合的に判断して、近所に旅費を含めて20万でしてくれる所がなかったので
Freestyleさんに頼んで良かったと思います
色々記事にするネタもできましたが無問題
ルーフレールも今の所外れる感じがないためもう少し様子を観てみようと思います
1月10日(金)JAFさんより電話
山口の高速で車が急にストップして近くのICまでJAFさんに約20kmレッカー移動してもらったのですが
その際に作業員の方がパーキングブレーキの解除し忘れてしまったみたいで
その後、後輪から金属の焼ける様な臭いがしていました


帰ってきてから数日臭いがあったのですが
その後は臭いは収まりブレーキも普通にかかるので
他のトラブル(バッテリーランプ点灯など)の方がひどかったのでそのままにしていました
他のトラブルも一旦解決した様な形になったので、JAFさんにパーキングブレーキの件について連絡
するとまたHapit今治店に車を持っていって見てもらう事になりました
いつも見てくれる整備士の方に話をしてみると
(ドラム)ブレーキ分解してヤスリで削ったら大丈夫そう
そんなに時間はかからないと思うという事で店内で待機
暫くすると整備士の方がやってきて整備工場に案内されました
そこで実物を見ながら説明されたのですが
実際に分解してみると、後輪2つともブレーキライニングが焼けて臭いがしていて表面がツルツルになっているという事
加えてホイルシリンダーの両端にあるゴムが取れていたと報告あり
JAFさんには申し訳ないが交換してもらった方がよいという事になり
また車を預ける事になりました(´;ω;`)
それでまたまた代車を借りる事になりました
今度はプリウス

早かったら2、3日で部品が来て修理できるそうなので助かります
病院で退院前訪問で環境調整などで患者さんの家に行く際に使う車もプリウスで
運転にかなりの苦手意識があったので練習にいいかもしれません
今度モビリオスパイクが戻ってくるまでの間に
簡易なバッテリー電圧チェックができるといいと思ったのでコチラの商品を購入してみる事にしました
これで車内で毎日簡単にバッテリーの電圧状況を確認できそうです
1月12日(金)Hapit今治さんより電話
仕事後Hapit今治の担当の方より修理が終わった旨の電話がありました
今回の修理内容はこちら

また注文していたバッテリー電圧チェックができる機器も届いたので早速付けみました

エンジンがついている時に14.3~14.5Vで安定しているので安心しました
AAC電源時とIG電源時のバッテリー電圧が測れるのは助かります
こんな感じ
ただ夜間は結構表示が明るいのはマイナスでしたが
ちょうどソケットカバーで眩しくなくなることを発見できたので解決しました

これで安心して車に乗れそうです
今思えば純正ナビの調子が悪かったり、純正のバックカメラが使えなくなったりしたのは
オルタネーターの調子が悪く必要な電圧が足らなかったからではないかな
まぁ今のオーディオナビは結構便利なので変えて良かったと思っています
どこかの誰かの参考になれば嬉しいです
頑張っていきまっしょい!
スポンサーリンク
関連リンク
車(モビリオスパイク W:GK1)
・HIDバルブ交換(HIDバルブが切れた時赤くなる)
・FreeStyleさんの全塗装(オールペイント)その後のトラブル②
・FreeStyleさんの全塗装(オールペイント)その後のトラブル①
・車の全塗装をしに北九州へ(Freestyleさん)、帰りに超トラブル
・全塗装直前にした事(洗車*フォグランプのゴム塗装*エンジンマウント交換*ホイールハウス塗装)
・サイドミラー交換(モビリオスパイク W:GK1)
・車の電気系統トラブル ⇒ JAF加入 ⇒ JAF入会キャンペーン当選
・車検で純正ナビが逝ったのでオーディオナビ(ATOTO F7 XE)に変更【トラブル】
・車の白ぼけ(クリアハゲ)をメラニンスポンジとウレタンクリアスプレーで目立たなく
・ドライブレコーダー(PRD51C)取り付け
・サンシェード自作
・ヘッドライトの黄ばみを削ってウレタン塗装
・性能のいいバッテリーに交換したらジャダーが軽減
・スマホの車載ホルダーの電源をヒューズからとる
・車の鍵を修理・ドアリモコンの設定
・ポリッシャー(リョービ RSE-1250)で車磨き
・カウルトップを塗装してみた!(プラスチック樹脂白化対策)
・車のハンドルの皮のハゲを補修(アドカラー)
・車の内装の破れ補修 & 既成品のカーマットを調整
・車の白化部分(ゴムモール、フォグランプのゴムパッキン)の塗装……そしてドアミラーガラス交換
・車に棚を設置(車の右トランクサイドガーニッシュを脱着)
・車内で快適に寝るためにベッドを自作
・シガーソケットから電源をとる車の掃除機(PAV1205 BLACK &DECKER®)
・車の棚を作り変えてみた!
リホーム・補修
・アイロン台をリメイク
・工具箱を渋くリメイク(紙と金属をエポキシ接着剤で塗装)
・割れた花器(陶磁器)を再生(エポキシ接着剤・重曹・瞬間接着剤)
・車庫のH鋼にLEDライトをステイ自作し設置(H形鋼用吊りボルト支持金具自作・MEIKEE センサーライト)
・米びつ(キッチンストッカー)を再塗装
・トイレ壁に窓用換気扇を埋め込む
・換気扇清掃し壊したため修理し新品に交換
・残り10枚の雨戸全部塗装
・皮製品の補修(CARE&POLISH by SHIMIZUYA、革靴、バック)
・浴室ドアのゴム交換(後付グレイチングビート)
・京セラ(旧リョービ)のバッテリーが不調だったので交換
・玄関周り補修(ドアベル交換・接ぎ木補修)
・糸くずフィルター補修(ES-B43, SHARP 2103370381)
・百均の工具で洗濯槽を外しガッツリ掃除(ES-B43)
・洗濯機(ES-B43)空回りの修理(パルセータ一交換)と 水平出し(水平調整)
・経卓のガラスを切り出し(ガラスカッター:Kimlontonタイル・ガラス切りカッター )
・キャビネット再生(千切れたプラスチックベルト再生、なくなったアクリルケース自作)
・貯水槽のフタをアクリル板で自作(アクリル板を曲線で切る)
・網戸作成
・古い足場板 で 棚作成(ジップロックで小物整理・電気カンナ631600A)
・古い網戸の張替え(網おさえゴムの選び方)
・棚作成(劣化したMDF材を補修)
・中庭完成(猫のうんこ対策)
・玄関裏を再生(コンクリート壁の下穴がガバガバな時の対処法)
・大きな庭石を割る
・中庭と中二階を再生
・外階段再生
・ベランダ再生
・車庫・段差プレート再生(ケレン・トタン張り・ペンキ屋くんでのペンキ塗り)
・車庫の門扉再生
・ポーチや玄関ドアを補修(錆びてなくなったポーチの一部再生・ペンキ塗装など)
・サビて一部なくなった鉄柵を再生
・テーブルの高さ調整(ネジザウルス、オーディオファン ゴム足)
・アイアンペイントでスポンジホルダー・時計・スイッチカバーなど色々塗装
・単管パイプで作った自作スロープ移動のため台車作成
・家の6つの直付けの照明器具をLEDに交換
・直付け蛍光灯 から ダクトレール +シーリングプラグ(NDR7010)+ LEDシーリングライト(CL12DL-5.0)に交換
・塩ビパイプで4mのドックゲートを自作
・ダイキンエアコン分解洗浄(F25STES-W)
・ダイソン(Dyson V10 Fluffy)分解清掃 と バッテリー交換(KUNLUN)
・壁に100均のカゴをオサレに着けてみる
・電源タップを壁にかけてみた!
・ジェットウォッシャードルツ(EW-DJ61-W)水漏れ分解修理
・筋トレ部屋の障子(しょうじ)を張り替えてみた!
・通勤バックのメンテナンス、昼食のルーティンメニュー
・靴の履き口の破れ補修 (河口 ジャージ用補修布・黒93017)
・今度は革靴の履き口の破れを補修!(Scotch 強力接着剤皮革用6025N)
・ネームエルツインのインク交換・キャップの緩み修正
・エルゴメーター修理(ダイソーのエポキシパテで穴のリカバリ)
・Hirakunoの修理(タワミ修正・とじ具補修・P1603)
・腕時計のバンドを交換してみた!(MORELLATO 時計バンド DUNCAN 20mm)
・ストップウォッチ (HS-80TW-1JH)の電池交換(基盤触りあり)
PC
・楽天ひかり から BIGLOBE光 へ引っ越し(経過と手順, IPv6 接続トラブル)
・ノートパソコン(T552/FB)のプラスチック外装が壊れたのでプラリペアで修理してみた
・5年落ちのノートパソコン(T552/58FB) をSSDに換装したら爆速になった
・ノートパソコン(T552/58FB)のキーボードを交換してみた
・ノートパソコン(T552/58FB)をDIYでノングレア化してみた(LCD-156 W)
・看護師さんのメーカー製ノートパソコン(AH42/G)のHDDが壊れたのSSDに換装した!
・Windows10にアップグレードしたら日本語入力できなくなったが無事解決(dynabook T552/58FB)
・スキャナで取り込んだ後のバラバラになった本を製本してみたPC
・楽天ひかり から BIGLOBE光 へ引っ越し(経過と手順, IPv6 接続トラブル)
・ノートパソコン(T552/FB)のプラスチック外装が壊れたのでプラリペアで修理してみた
・5年落ちのノートパソコン(T552/58FB) をSSDに換装したら爆速になった
・ノートパソコン(T552/58FB)のキーボードを交換してみた
・ノートパソコン(T552/58FB)をDIYでノングレア化してみた(LCD-156 W)
・看護師さんのメーカー製ノートパソコン(AH42/G)のHDDが壊れたのSSDに換装した!
・Windows10にアップグレードしたら日本語入力できなくなったが無事解決(dynabook T552/58FB)
・スキャナで取り込んだ後のバラバラになった本を製本してみた
・液晶モニター台自作(焼桐で作成)
・液晶モニター台をもう1個作成 ( ワンバイフォー材 )
・卓上マイクスタンド自作(ブームマイクスタンドの様なもの?)
・動画が途切れるのでLogitec 無線LAN中継機 を買ってみた(LAN-RPT01BK )
・wifi中継器を交換(LAN-RPT01BK から WEX-733Dへ)
・論文・資料の整理にスキャンスナップ (FI-IX500-DC)
・ロリポップの共有ドメインをSSL化した話
・ソフトバンク光 から 楽天ひかり(手順, IPv6 接続・Dropbox同期トラブル)
・筋トレ部屋をスマート化( google home mini 、スマートマルチリモコン・プラグ)
・ソフトバンク光 から 楽天ひかり(手順, IPv6 接続・Dropbox同期トラブル)
ipad iphone
・iPad mini用 お風呂スタンド自作
・ipad mini に LIFEPROOF nuud を着けた上にフィルムを貼ってみた!
・ページ数の多い2つのPDFを交互にページが見れるように編集し、1つのPDFにしてみた!
・ipad pro10.5インチのケースを個人輸入したった!(Survivor All-Terrain Rugged Case )
・ipad pro10.5 液晶不良のためappleに修理に出してみた
・ipad pro10.5(Wi-Fiモデル)を使った 心リハ指導士試験勉強法***⑰
・いろんなライトニングケーブル(純正、Anker、ecostyle)を買ってみた!
・今さらながら iPhone4S → iPhone5S へ(SURVIVORケース)
・iPhoneを訪問リハビリの時に使っている三脚とマウント
・車にiphoneの車載ホルダーを取り付けてみた!(PZ-614, FVC-323A)
訪問看護・リハビリ・仕事道具
・ホルター心電図装着(胸の違和感)
・スプレットシートを使った資格ポイント管理方法(認定理学療法士、心リハ指導士、登録理学療法士など)
・仕事場で使うカーディガンに大きな穴が空いたので補修
・リモコン操作型シーリングライトを紐で on / off できるように
・褥瘡(床ずれ)の大きさを測るのにオススメなマスキングテープ
・栄養ドリンクのキャップを開ける道具を自作!
・ペットボトルのキャップや缶のプルトップを開けやすくするグッツ
・爪を切りたいが肉を切りそうで困っている方に!(ガラスの爪研ぎ:ブラジェク ガラス爪やすり )
・手指リハビリ練習機器自作(作り方・工夫した点など)
・TVの音を消さないで、手元のスピーカーからも音が出るようにしてみた!(テレビ用 手元スピーカー ANS-301)
・防水モバイルスピーカー(SRS-X1 BC)を訪問看護・リハビリで使う!
・環境調整が重要である理由と、簡単な記録方法(ipad mni, LINE Brush Lite, KMC-36C)
・上着のファスナー(ジッパー)を簡単に上げる方法
・聴診器が壊れたので自力で修理してみた(リットマン マスタークラシックII )
・浴槽やシャワーチェアからの立ち上がりが難しい人に使えるブツ
・患者さん用にスマホ用タッチペンを改造
・ リーチャー自作
・ リーチャー改造
・超簡単リーチャー自作
・車椅子のタイヤとチューブを交換してみた
・車椅子のサイドバックを自作!
・介助用車椅子を自走?(補高靴を使用した場合)
・折り畳み式ポータブルトイレをグラグラしない様に改造してみた
・リハビリ用に平台車?自作
・理学療法士だけど、踏み台を作ってみたよ!
・踏み台を固定しないでサクッと安定させる!
・理学療法士だけど、ベッドのゲタを作ってみた!
・1人で布団を掛けやすくするために(ふとんの三点固定)
・書字の自助具?
・拘縮悪化予防スポンジ
・手の拘縮悪化予防スポンジを改良してみた!
・背屈補助装具作ってみました?
・片麻痺患者用の腕ホルダー自作(弛緩性麻痺・肩関節亜脱臼予防軽減)
・うちの爺ちゃんのトイレ対策に窓用換気扇 VFW-15X2 を設置!(自作コンセントカバー)
・ドアノブを交換してみた!
・冷蔵庫に着脱可能な取っ手を着けてみた!( MCZ-5365)
・90歳のお爺ちゃんがガジェットで年賀状作成(年賀状プリンターB-810)
・ツイストノート(hirakuno)でのカンペ(あんちょこ)作成方法
・ガラスの机はマウスが使えないのでマットを購入してみた!(A737)
・むっちゃ水を吸う折りたたみ傘用のカバーを買ってみた
・バアちゃんにマッサージ器を当ててみた(ニュービブロン VL-80)
・微妙な高さ調節が可能な寝返りしやすい枕を買ってみた!(坊主枕)
・むっちゃ水を吸う折りたたみ傘用のカバーを買ってみた
・訪問リハビリにも使ってるおススメのバッグ (心リハ研修にも持っていきます)
筋トレ
・チンニングスタンド(懸垂台)自作
・自作チンニングスタンド(懸垂台)をディップスが出来るように改造
・グリッドフォームローラー?(ストレッチポール?)の様なものを自作してみた!
・カーフ・レイズ用の台を作ってみた(下腿三頭筋の筋トレ)
・ラバーダンベルセット購入(IROTECラバー ダンベル40KGセット)
・ラバーダンベル追加購入(IROTECラバー ダンベル40KGセット)
・またダンベルを追加購入(WILD FITアイアンダンベル60KGセット + シャフト550mm変更)
・ダンベルトレーニングがはかどる物( ホームセンターで購入可)
・カーフ・レイズ用の台を作ってみた(下腿三頭筋の筋トレ)
・ぼくの最近のオートミールルーティーン(2019年度版)
・ぼくのオートミール定番メニュー(不味いオートミールを飽きずに食べる方法)
・ぼくのオートミール定番メニュー(さっぱりしたもの)
・オートミール(日食オーツ&クエーカー)
・豆乳でヨーグルト自作(ヨーグルティアS)
・自作した豆乳ヨーグルトからギリシャヨーグルトを作ってみた(ST-3000)
・豆乳で低カロリーな杏仁豆腐の様なモノを作ってみた
・フラットベンチ購入(LEADING EDGE FLAT BENCH:LEFB-005)
・リフティングストラップ購入(ハービンジャー リフティングストラップ #213 フリーサイズ )
・トレーニンググローブ購入(ハービンジャー トレーニンググローブ #155)
・グリッドフォームローラー(ストレッチポールの様なもの?)を買ってみた!
・グリッドフォームローラー?(ストレッチポール?)の様なものを自作してみた!
・地下足袋で筋トレ
・エアロバイク( AFB6010)を買ってみた!
・ダイエッターやトレイニーにはユニクロのスーツがおススメ
・夏の筋トレを快適にしてくれたもの①(Merossスマートプラグ)
・リョービのハンディクリーナー(BHC-1410)を買ってみた!
・おススメの度付きゴーグル(SWANS近視用 度付レンズ + 専用ベルト)
・清正のプール と 清正の湯(体組織計:筋肉量測定)
・おすすめ本(脳を鍛えるには運動しかない!/ トレーニングをする前に読む本)
・握力測定(デジタル握力計 グリップD TKK5401)
・スイムタイム計測(CASIO ストップウォッチ HS-80TW-1JH)
・バランスボール購入(La・VIE NON-BURST GYM BALL65cm)
・活動量計(TR10)買ってみました
換気扇
・窓用換気扇(VFW-25X2)をパワーコントローラー(PC-40)を使って風量調整
・窓用換気扇(VFW-25X2)に自作シェードをつける
・窓用換気扇(VFW-25X2)を取り付けてみた
・うちの爺ちゃんのトイレ対策に窓用換気扇 VFW-15X2 を設置!(自作コンセントカバー)
傘
・傘の骨(受骨)が折れたので修理してみた(間接爪US-024)
・傘の部品(下ろくろ)が壊れたのでプラリペアで修理してみた
・傘の修理を頼まれたので治してみた(親骨骨折 US-012)
・傘が軸に沿ってを上下に動くため修理(上ろくろ固定・陣笠購入)
木工
・丸のこ定規を自作してみた!
・2×4(トゥバイフォー)材で馬(工作用の台)を作ってみた!
・ディスクグラインダーのロックナット(固定ナット)を何とかして外した件
・キッチンハンガー自作
・自転車エルゴ用の簡易ワゴンを自作
・液晶モニター台自作(焼桐で作成)
・液晶モニター台をもう1個作成 ( ワンバイフォー材 )
プレゼン
・壁に張り付き簡単にプロジェクタのスクリーンになるシート(セーラー万年筆 どこでもシート)
・プレゼンの際、音をパソコン(T552/58FB)から鮮明に大きく出すためSRS-X1を2個使ってみた!
・看護師やセラピスがプレゼンをする5つのメリット
・手にマイクを縛りつけてのプレゼン(ぼくのプレゼン方法)
・プレゼンは美しくないといけない?(プレゼンテーションZEN)
・スライドにのせる動画の黒帯を小さくする方法 (パワーポイント忘備録)
冬(寒さ)対策
・障子を2重窓にDIY
・ガラス戸レールの二重窓をFIX(はめ殺し)タイプのおしゃれな木枠に作り替え
・木枠で2重窓作成(FIX窓・はめ殺し窓タイプ)
・防寒のためハモニカーボで2重窓作成
・足元がぬくぬく~ボアブーツ
・足元があったい! 再購入したルームシューズ(ボアブーツ)
・冬の勉強のお供におすすめなグッツ(シークレットベルト・[KOI] ルームシューズ )
インプラント・歯
・インプラント 中編(土台植え込み、フタが取れる、上モノ設置 )
・インプラントを入れる事にしました(前編 歯茎の腫れ ~ 抜歯 ~ 抜糸まで)
・歯がしみるのが消えた!(ジェットウォッシャー ドルツ)
便利・その他
・窓ガラスにステンドグラスシートを貼ってみた(目隠しシート)
・今治市のある自治会区長(広報)になったので仕事の内容を書いておく
・2代目グリッドフォームローラー と 石油ファンヒーター台 を自作
・ヨルテラス(LED人感センサーライト)設置
・外国税額控除で戻ったお金でエアコン購入
・外国税額控除でスピーカー(SRS-XG300)購入
・ダイソン(Dyson V10 Fluffy SV12 FF)を買っちゃった
・筋トレ部屋をスマート化( google home mini 、スマートマルチリモコン・プラグ)
・論文・資料の整理にスキャンスナップ (FI-IX500-DC)
・卓上マイクスタンド自作(ブームマイクスタンドの様なもの?)
・動画が途切れるのでLogitec 無線LAN中継機 を買ってみた(LAN-RPT01BK )
・wifi中継器を交換(LAN-RPT01BK から WEX-733Dへ)
・ボダムフレンチプレスコーヒーメーカー(KENYA10683-01J)を買ってみた
爺
・爺ちゃん用の加湿器(SHM-4LU-G)を買ってみた!
・液晶の日めくりカレンダーを買ってみた!(KW9254)
・誤作動防止にエアコンのリモコンカバーを作ってみた!
・爺ちゃん用 に電源を簡単にon/off する装置をつけてみた(SN11W,WK2103,防雨延長補助コード・中間スイッチ付)
・爺ちゃん用に大きな壁掛け時計を買ってみた!(IQ-48S-8JF)
・祖父に杖を買ってみた!(伸縮T字杖 TY125)
・祖父をデイサービスへ(デイサービスに持っていく物)
・祖父の要介護認定調査に参加
・認知症サポーター養成講座
・カーテンを使って廊下に防音装置を手軽に設置してみた!
・爺ちゃんが作ったプラスチック製の大きな水槽の片付け
・うちの爺ちゃん対策に郵便ポストを改造
・爺ちゃんが脳梗塞になったので一緒に救急車で病院に行ってt-pa治療を受けた
料理
・大きな鍋でオートミールお好み焼きを作る(和平フレイズ 大きい フライパン 32cm )
・豆乳でヨーグルト自作(ヨーグルティアS)
・自作した豆乳ヨーグルトからギリシャヨーグルトを作ってみた(ST-3000)
・干し芋を自作(一夜干しネット FP-156)
・豆乳で低カロリーな杏仁豆腐の様なモノを自作
・オートミールチヂミ(2021年のルーティンメニュー)
・ぼくのオートミール定番メニュー(不味いオートミールを飽きずに食べる方法)
・ぼくのオートミール定番メニュー(さっぱりしたもの)
・オートミール(日食オーツ&クエーカー)
・サバ缶の卵とじ(簡単オートミール料理)
・オートミールでパンケーキ
・オートミールパンケーキに栗とコーラ
・オートミールで親子丼
・カルビーのルビープログラム当選(フルグラを使った簡単ランチ作成)
・カルビーのじゃがいもが当選しなかったのでポテトサラダ作ってみた
・サバ缶できんぴらゴボウを作ってみた
・干柿を作ってみた(枝が取れてしまった場合のrecover方法)
・渋柿(あたご柿)を干してみた!
・サトウキビを食べる
・舌平目(レンチョカレイ)の煮付け
・肉じゃが を牛すじ肉で作る
・かぼちゃのひき肉煮
ガジェット関連リンク
・外国税額控除でスピーカー(SRS-XG300)購入
・オススメのモバイルバッテリー(SMARTCOBY TRIO 67W2C1A)
・iphoneXs(楽天モバイル)から iphone13pro(楽天モバイル)への移行
・LG gram (17Z90P-KA78J)のファーストインプレッション(デメリット対策)
・ipadpro10.5 ⇒ ipadpro11-inch(第3世代)へ移行(Spigenのケース+フロントガラスフィルム)
・ダイソン(Dyson V10 Fluffy SV12 FF)を買っちゃった
・iphoneXS用に頑丈なケースを個人輸入(Survivor Extreme )
・ipad pro10.5インチのケースを個人輸入(Survivor All-Terrain Rugged Case )
・ipad pro10.5(Wi-Fiモデル)を使った 心リハ指導士試験勉強法***⑰
・ipad pro10.5 液晶不良のためappleに修理に出してみた
・環境調整の時にipadはかなり使える(ipad mni, LINE Brush Lite, KMC-36C)
・防水モバイルスピーカー(SRS-X1 BC)を買ってみた!
・プレゼンの際、音をパソコン(T552/58FB)から鮮明に大きく出すためSRS-X1を2個使ってみた!
・静電気で壁に張り付き簡単にプロジェクタのスクリーンになるシート(セーラー万年筆 どこでもシート)
・ゴツイケースに入ったiphoneSEを無線キーボード(RBK-3200BTi)で使ってみる
・ガラスの机はマウスが使えないのでマットを購入してみた!(A737)
・wifi中継器を交換(LAN-RPT01BK から WEX-733Dへ)
・車にiphoneの車載ホルダーを取り付けてみた!(PZ-614, FVC-323A)
・論文・資料の整理にスキャンスナップ (FI-IX500-DC)
・歯がしみるのが消えた!(ジェットウォッシャー ドルツ)
・ダイエッターやトレイニーの腸内環境改善におススメ(ヨーグルティアS)
・自作した豆乳ヨーグルトからギリシャヨーグルトを作ってみた(ST-3000)
オススメ本
リハビリ関係
・「運動療法エビデンスレビュー」お勧め!
・先月発売された「神経難病領域のリハビリテーション実践アプローチ」を読んでみた
・「神経難病在宅療養ハンドブック―よりよい緩和ケア提供のために」を読んでみた
・「嚥下の見える評価をしよう!頸部聴診法トレーニング」
・「非特異的腰痛の運動療法」(荒木秀明 著)を読んでみた
・「段差」は転倒の原因ではない?「高齢者の転倒予防ガイドライン」
・「脳を鍛えるには運動しかない!」,「トレーニングをする前に読む本」
・「呼吸理学療法標準手技」
・「筋機能改善の理学療法とそのメカニズム」
・サルコペニア「リハビリテーション栄養ハンドブック」
・「はじめての研究法―コ・メディカルの研究法入門」・「4Steps エクセル統計」を読んでみた
・プレゼンテーションの本を読んでいます(プレゼンテーションZEN)
・「読む肺音 視る肺音 病態がわかる肺聴診学」を読んでみた
・「看護の現場ですぐに役立つ モニター心電図」を読んでみた***⑦
・「運動療法エビデンスレビュー」お勧め!
リハビリ以外
・久々に「D-ブリッジ・テープ」を読んでみた!
・『アラン「幸福論」の読み方』
・患者さんのモチベーションを上げるために「行動分析学で社員のやる気を引き出す技術」
・「はきものをそろえる 世界一簡単な成功法則」を読んでみた
